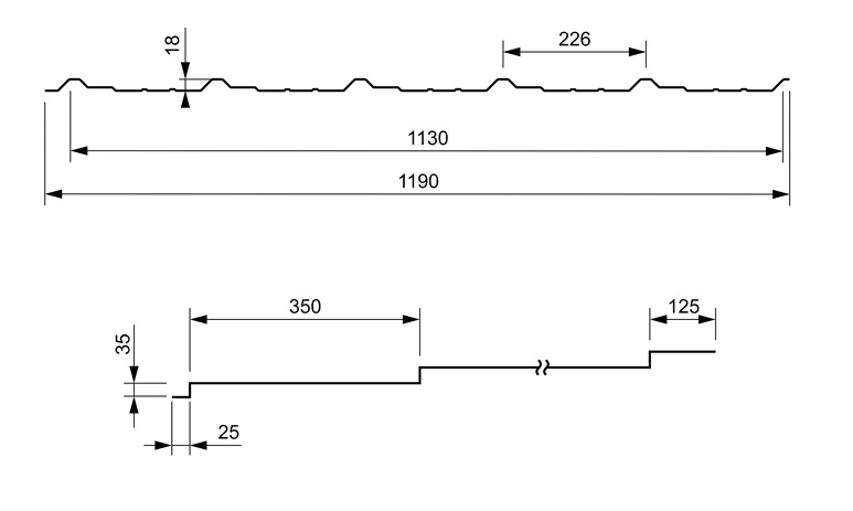
Металочерепиця Мадера - нова сучасна покрівля, що чудово підходить для нового будівництва. Ця металочерепиця може виготовлятись з італійського, німецького, бельгійського та корейського металу. Мадера може мати товщину 0.45мм або 0.5мм.
Характеристики металочерепиці Мадера

Замір та доставка металочерепиц в містах Калуш, Брошнів-Осада, Долина, Галич, Бурштин, Рогатин, Тисмениця, Тлумач, Городенка, Бучач, Надвірна, Делятин, Яремче, Буковель, Богородчани, Коломия, Снятин, Заболотів, Рожнятів, Перегінське, Бучач, Чортків, Косів, Ворохта, Верховина, Паляниця, Болехів, Стрий, Моршин, Бібірка, Ясеня, Бичків, Рахів, Мукачево, Чернівці - Безкоштовно!